3 Way Ball Valve
Reference Standards
| Design & Manufacturing | ASME B16.34/BS EN ISO 17292 |
|---|---|
| Valve Face to Face | ASME B 16.10 |
| Flange Standard Confirmity | ASME B 16.5 Class 150, 300 |
| Inspection & Testing | API 598 / ISO - 5208 |
Design Features
Standard Material of Construction
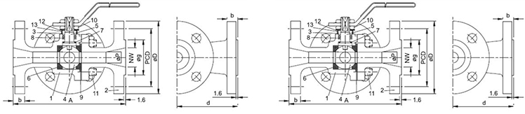
All Dimensions are in mm Unless Specified (150#)
| Size | A | ∅P | NW | ∅D | d | b | ∅g | PCD | Hole" | Hole |
|---|---|---|---|---|---|---|---|---|---|---|
| 15 | 108 | 9.5 | 13 | 89 | 70 | 11.5 | 35 | 60.5 | 16 | 4 |
| 20 | 117 | 13 | 19 | 98 | 76 | 13 | 43 | 70 | 16 | 4 |
| 25 | 127 | 19 | 25 | 108 | 80 | 11.5 | 51 | 79.5 | 16 | 4 |
| 32 | 140 | 25 | 32 | 117 | 86 | 13 | 64 | 89 | 16 | 4 |
| 40 | 165 | 32 | 38 | 127 | 98 | 14.5 | 73 | 98.5 | 16 | 4 |
| 50 | 178 | 38 | 50 | 152 | 107 | 16 | 92 | 120.6 | 20 | 4 |
| 65 | 190 | 50 | 65 | 178 | 125 | 17.5 | 105 | 139.7 | 20 | 4 |
| 80 | 203 | 58 | 76 | 191 | 133 | 19.5 | 127 | 152.4 | 20 | 4 |
| 100 | 229 | 76 | 98 | 229 | 157 | 24 | 157 | 190.5 | 20 | 8 |
| 150 | 267 | 98 | 148 | 279 | 216 | 25.5 | 216 | 241.3 | 23 | 8 |
All Dimensions are in mm Unless Specified (300#)
| Size | A | ∅P | NW | ∅D | d | b | ∅g | PCD | Hole" | Hole |
|---|---|---|---|---|---|---|---|---|---|---|
| 15 | 140 | 9.5 | 13 | 95 | 76 | 14.5 | 35 | 66.7 | 16 | 4 |
| 20 | 152 | 13 | 19 | 117 | 96 | 16 | 43 | 82.5 | 20 | 4 |
| 25 | 165 | 19 | 25 | 124 | 100 | 17.5 | 51 | 89 | 20 | 4 |
| 32 | 178 | 25 | 32 | 133 | 106 | 19.5 | 64 | 98.4 | 20 | 4 |
| 40 | 190 | 32 | 38 | 156 | 120 | 22 | 73 | 114.3 | 23 | 4 |
| 50 | 216 | 38 | 50 | 165 | 125 | 22.5 | 92 | 127 | 20 | 8 |
| 65 | 241 | 50 | 65 | 191 | 140 | 25.5 | 105 | 149.2 | 23 | 8 |
| 80 | 283 | 58 | 76 | 210 | 152 | 29 | 127 | 168.3 | 23 | 8 |
| 100 | 305 | 76 | 98 | 254 | 178 | 32 | 157 | 200 | 23 | 8 |
| 150 | 403 | 98 | 148 | 318 | 215 | 37 | 216 | 269.9 | 23 | 12 |
Applications
Oil Refineries
Chemical & Solvent Industries
Petro Chemical Industries
Process Industries
Food & Pharmaceuticals Industries
Compressed Air Line
Gas Industries
