Jacketed Ball Valve
Unitech - Provides a complete range of floating Ball Valves with well-designed Jacketing facility.
Jacketing is designed in such a way that it enables the Valve to handle highly viscous materials or materials that solidify at ambient or normal temperatures.
Jacketed Valves are used for steam, hot water, high temperature thermic fluid oil or other heat transfer media.
These Valves ensure free flow through the Valve and prevent clogging when the Valve is in close position.
Conformity To Standard & Codes
| Design & Manufactuting | BS 5351 |
|---|---|
| Valve Face to Face | ASME B 16.10 |
| Flange Drilling | ASME B 16.5, Class 150, 300 |
| Inspection & Testing | API 598 |
Valves Inspection & Testing
| Test | Class 150# |
|---|---|
| Body (Hyd.) | 31kg/cm2 |
| Seat (Hyd.) | 23kg/cm2 |
| Seat (Air) | 7kg/cm2 |
| Jacket | 7kg/cm2 |
Technical Specification
Special Features
1. Full or Half Jacketing options can be availed depending upon the design of Valve.
2. Fully Jacketed Valves are manufactured with One-Piece design Ball Valves. Valve body with flange is single piece investment casting. No-welding is done in flanges.
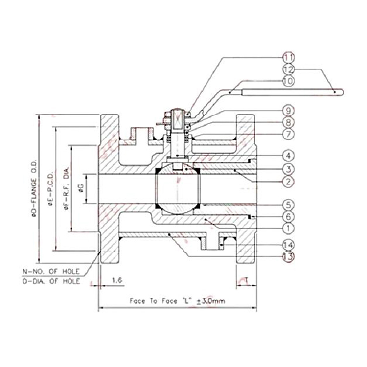
All Dimensions are in mm Unless Specified
| Size | ∅G | L | ∅F | ∅E | ∅D | T | Drill |
|---|---|---|---|---|---|---|---|
| 25 x 40 | 24 | 127 | 73 | 98 | 125 | 14 | 15 x 4 |
| 25 x 50 | 24 | 127 | 92 | 120 | 150 | 16 | 15 x 4 |
| 40 x 50 | 38 | 165 | 92 | 120 | 150 | 16 | 15 x 4 |
| 50 x 80 | 50 | 178 | 127 | 152 | 190 | 19 | 19 x 4 |
| 80 x 100 | 75 | 203 | 157 | 190 | 230 | 24 | 19 x 8 |
| 100 x 150 | 100 | 229 | 215 | 241 | 280 | 25 | 22 x 8 |
